TB6-B Series
페이지 정보
본문
|
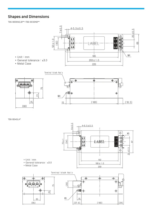
Features - 3-Phase filters(Potted with epoxy resin) - Good shield effect by using metal case - Excellent filtering characteristics for both differential mode and common mode - Safety : ENEC,CE,SEMKO(Except for : TB6-B***LASH) Description Applications - Industrial equipment such as CNC machine, inverter, converter, telecommunication equipment, FA equipment, elevator, etc. |
| TB6-B Series PDF File Download | ![]() |
| Series | Rated Voltage | Rated Current | Approvals | Cover | Mounting Method | Output Method |
| TB6-B Series | ~440V AC 50/60Hz (3 Line) | 6A,10A,16A,20A,30A, 40A,80A,100A,150A, 200A,250A,400A | SEMKO+ENEC,CE | Metal | Screw | Teminal Block, Bus Bar |
![]() |
![]() |
※ 모든 첨부자료와 정보들은 (주)동일기연에서 출처된 내용입니다.
- 이전글SQ3 Series 23.05.09
- 다음글TB6-2,4 Series 23.05.09





