미래테크
 

제품기술정보

CUSTOMER CENTER
고객의 소리에 귀기울이겠습니다
T : 02-2616-4473
F : 02-6679-4472
E-mail : mirae6159@naver.com
S.M.P.S 기술자료

S.M.P.S의 개요

 


스위칭 모드 파워 서플라이(Switching Mode Power Supply : S.M.P.S)는 전력용 MOSFET 등 반도체 소자를 스위치로 사용하여 직류 입력

전압을 일단 구형파 형태의 전압으로 변환한 후, 필터를 통하여 제어된 직류 출력 전압을 얻는 장치로서, 반도체 소자의 스위칭 프로세서를

이용하여 전력의 흐름을 제어함으로 종래의 리니어 방식의 전원 공급장치에 비해 효율이 높고 내구성이 강하며, 소형, 경량화에

유리한 안정화 전원 장치이다.


S.M.P.S는 스위칭 주파수를 높여 에너지 축적용 소자를 소형화 함으로써 소형, 경량화를 이룰 수 있고, 이를 위해서는 고속 반도체 소자의

개발이 필요하다. 그러나 스위칭 주파수를 고주파화하면 스위칭 손실, 인덕터 손실등 전력 손실이 증대하게 되는 되는 점과 스위치에 의해 발생하는 써지, 노이즈 문제를 고려해야 한다. S.M.P.S의 용도는 통신용과 산업용 및 PC, OA기기, 가전기기 등의 민수용으로 분류된다. 


Power Supply 분류


Power supply의 설계방식을 두 가지로 분류한다.

첫째는 Linear type이고 둘째는 Switching type이 있다. 


Linear Type

일반적으로 실험실에서 사용하는 부피가 크고 무거운 그런 type을 말한다. Linear type은 기본적인 전원 공급기, 전자적 조절가능 저항요소, 그리고 전압 감지기와 안정된 기준 전압으로 구성된다. 동작은 전압 감지기가 계속해서 DC 출력전압을 감지하고 기준전압과 비교하다가 출력전압을 변화하면 조절 가능 저항을 전자적으 조절해서 즉시 원하는 DC 출력전압을 유지한다.


•Switching Type

Switching type은 기본적인 전원공급기와 switching 소자, control circuit와 안정된 기준 전압으로 구성된다. 동작원리는 linear와 비슷하며, control circuit에서 DC출력전압을 모니터하고 안정된 기준전압과 비교한다. 그리고 출력 전압이 변화하면 전자적 switch를 조절 원하는 출력 전압을 유지시킨다. control circuit이 switch를 조절하는 방식에 크게 두 가지가 있는데 한 가지 방식은 switch의 on - time과 off - time의 비를 조절하는 것인데, 이를 PWM(pulse-width modulation)이라고 한다. 또 다른 방식은 PWM에 사용되어지는 switching transistor 대신에 SCR(silicon controlled rectifier)을 사용하는 이 방식은 phase angle을 변화시키므로 PCM(phase controlled modulation)이라고 한다.


•Linear와 SMPS의 비교

linear 방식의 장점은 cotoff (0 volt 출력)에서부터 saturation (최대 출력 전압)에 이르 기까지 매우 넓은 범위에 걸쳐서 조절 가능하다는 것이다. 단점은 우선 효율이 30~40%정도 밖에 안 된다. 그래서 변압기의 2차측에서 필요로 하는 전압보자 다소 높은 전압을 필요로 하는데 이것을 head room이라고 한다. 또 다른 단점은 부피가 크고, linear요소 중의 하나인 pass transistor에 대한 heat sinking(열 방출장비)도 많은 부피를 차지하고 60Hz 변압이고 큰 부피를 차지한다. 일례 로 medium-power linear의 경우 변압기 무게가 50파운드나 된다. 그러므로 현대와 같이 장비가 소형화되는 추세에서는 큰 단점을 가진다.


•전원의 분류(안정화전원)

A. SMPS

 1) 직류 직접 변환장치(직류초퍼) + (안정화를 위한)제어장치

 2) 직류 간접 변환장치(좁은 의미의 DC/DC 컨버터) + (안정화를 위한)제어장치

B. 시리즈 파워서플라이 


•SMPS와 시리즈 파워 서플라이



S.M.P.S의 기본 구성



S.M.P.S의 기본구성은 교류 입력 전원으로부터 입력 정류 평활 회로를 통해 얻은 직류 입력 전압을 직류출력 전압으로 변화하는 DC-DC 컨버터,

출력 전압을 안정화 시키는 궤환 제어 회로, 과전압, 과전류 보호 회로 등으로 되어있다. 궤환 제어 회로는 다시 출력 전압의 오차를 증폭하는

오차 증폭기, 증폭된 오차와 삼각파를 비교하여 구동 펄스를 생성하는 비교기, DC-DC 컨버더의 주 스위치를 구동하는 구동회로 등으로 구성되어 있고, DC-DC 컨버터 주 스위치와 환류 다이오드, 2차의 저역 통과 필터인 LC 필터 등으로 구성되어 있다.

여기서 DC-DC컨버터는 전력의 변환을 담당하는 주요 부분으로서 입출력 변화비의 크기 및 회로 구성에 따라 많은 종류의 컨버터로 분류된다.

S.M.P.S의 회로 방식은 고주파 트랜스포머의 유무에 따라 크게 비절연형과 절연형으로 나눌 수 있는데, 비절연형으로서는 Buck 방식, Boost 방식, Buck-boost 방식, C'uk 방식등이 있고, 절연형으로서는 Flyback 방식, Forward 방식, Full-bridge 방식, Half-bridge 방식 등이 있다.



 



S.M.P.S의 회로 방식

 


비절전형(Non-Isolation Type)


Buck(Step-Down) 방식

주 스위치가 Q가 ON이 되면 입력으로부터 전류가 L을 통하여 출력으로 흐름과 동시에 L에 축적되고 Q가 OFF되면

L에 축적된 에너지가 환류 다이오드 D를 통하여 출력측으로 방출하게 된다. 스위칭 주기 Ts를 한 주기로 하여

이 동작이 반복되면서 입력 전력을 원하는 출력 전력으로 변화하게 된다. Buck 방식은 출력전압이 입력 전압보다

낮은 범위에서 나타나며, 이러한 이유로 “강압형 컨버터”라고도 한다. 

 


Boost(Step-Up) 방식

스위치 Q가 도통일때 인덕터 전류에 의해서 L에 에너지가 차단되면 L에 축적된 에너지가 환류 다이오드 D를 통하여

출력측으로 방출된다. Boost 방식은 출력 전압이 향상 입력 전압보다 높은 값으로 “승압형 컨버터” 라고도 한다.

 


Buck-Boost(Step-Down) 방식

Buck-boost 방식은 출력 전압이 입력 전압보다 높거나 낮게되는 승강압형의 특징과 출력의 극성이 입력과

반전되는 특징도 함께 갖고 있어 “극성역 전형 컨버터” 라고도 한다.

 

절전형(Non-Isolation Type)


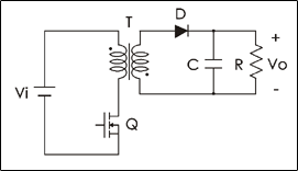
Flyback 방식

Flyback 방식은 Buck-boost 방식과 기본 동작이 동일하다. 스위치 Q가 도통하면 트랜스의 2차 권선에는 1차와

반대 극성의 전압이 유도되므로, 다이오드 D는 역 바이어스되어 차단되고, 따라서 2차 권선에는 전류가

흐르지 않고 1차 권선으로만 전류가 흐르지 않고 1차 권선으로만 전류가 흘러 자화 인덕턴스에 의해 에너지가

축적된다. 다음 스위치가 차단되면 2차 권선에는 전상태와 반대 극성의 전압이 유도되어 다이오드를 도통

시킴으로써 트랜스의 자화 인덕턴스에 축전된 에너지를 부하에 공급한다. Fly back 방식은 50W 이하의 낮은

출력에 적용하기에 적합하며, 회로가 간단하고 경제적인 반면, 출력 커패시턴스의 리플 전류가 크다.

 


Forward 방식

Forward 방식은 출력 용량이 500W급 정도까지의 중전력용으로 많이 응용 되고 있으며, Buck 방식과 기본 

작이 동일하며 안정성이 뛰어난 특징을 가지고 있어서 고신뢰성이 요구되는 통신용의 전원에 폭넓게 이용되고

있다. 동작 원리는 주스위치 Q가 도통하면 D1은 도통, D2는 차단되어 입력 측으로부터의 전류는 트랜스포머를

통하여 출력 측으로 전달됨과 동시에 인덕터 L에는 에너지가 축적된다. 다음에 Q가 차단되면 D1은 차단,

D2는 도통되면서 L에 축적된 에너지를 출력 측으로 공급한다.

 


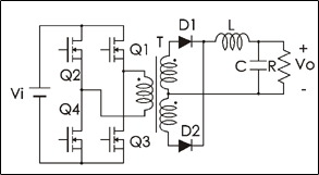
Push-Pull 방식

Push-pull 방식은

스위치 Q1,Q2가 교대로 ON,

OFF하는 방식으로 1KW 이하의 대용량에 적용 가능하며

구동 회로가 간단하게 트랜스포머의

편자 현상이 발생할 가능성이 있다.

 


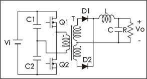
Half-Bridge 방식 

Half-bridge 방식은 500W-수KW의 대용량에 많이 응용되고 구동 회로가 복잡하다. 동작 원리는 스위치 Q1이

도통하면 입력 전류는 Q1과 트랜스포머 1차 권선을 통하여 흐름과 동시에 2차 측으로 전달되고, 다이오드 D1

도통시켜 출력 필터 인덕터 L을 통하여 출력측 으로 흐르게 된다. 이 때 L에는 에너지가 축적되며 다음

스위치 Q1,Q2모두가 차단되면 L에 축전된 에너지는 다이오드 D1,D2를 환류패스로 하여 출력 측으로

방출되며 트랜스포머의 전압은 “0”이 된다. 스위치 Q2를 도통시켜 L을 통하여 출력 측으로 흐르게 된다.

이때 L에는 다시 에너지가 축적되며 다음 스위치Q1,Q2모두가 차단되면 L에 축적된 에너지는 D1,D2를

환류 패스로 하여 출력측으로 방출되며, 트랜스포머의 전압은 “0”이 된다.

이 과정을 한 주기로 하여 반복하면서 동작한다.

 




Full-Bridge 방식

Full-bridge 방식은 Half-bridge 방식에 스위치 2개를 더 추가한 형태로 4개의 스위치를 사용하므로서 한 쌍의

스위치(Q1,Q4 또는 Q2,Q3)가 교대로 도통, 차단을 반복하면서 Half-bridge 방식과 동일하게 동작하고,

구동 회로가 매우 복잡하며 수 KW이상의 대용량에 응용된다.

 




전원 용어 설명



1) 입력전압(Input Voltage Range)

규격을 보장 할 수 있는 입력 전압의 범위로서 교류입력은 실효치이고 직류 입력은 순시치이다.


2) 효율(Efficiency)

출력 전력과 입력 유효 전력의 비로서 효율=(출력전력/입력유효전력)*100(%)로 표시


3) 돌입전류(Inrush Current)

전원에 입력 전압을 인가하는 순간에 흐르는 전류의 파고치


4) 정격출력전압(Output Voltage)

출력단에서 나오는 직류 전압의 공칭값


5) 정격출력전류(Output Current)

전원에서 부하로 연속적으로 공급 할 수 있는 전류치


6) 정적입력변동(Line Regulation)

입력 전압을 규격 범위내에서 서서히 변화 시켰을 때의 출력 전압의 변동 최대치


7) 정적부하변동(Load Regulation)

출력 전류를 규격 범위내에서 서서히 변화 시켰을 때의 출력 전압의 변동 최대치


8) 리플(Ripple)

출력 전압에 중첩되는 입력 주파수 및 스위칭 주파수와 동기된 성분으로 Peak-to-peak로 표시


9) 리플노이즈(Ripple Noise)

출력 전압에 중첩되는 리플 이외의 노이즈 성분으로 Peak-to-peak로 표시


10) 주위온도변동(Temperature Drift)

규격의 주위 온도 범위 내에서의 출력 전압의 변동치


11) 기동시간(Rise Time)

입력을 인가한 후 출력 전압이 90%에 도달할 때까지의 시간


12) 유지시간(Holding Time)

입력을 차단한 후 출력 전압이 규정의 전압 범위를 유지하여 순간 정전에도 안정된 출력 전압을 공급할 수 있는 시간


13) 절연전압(Isolation Voltage)

지정된 단자 간에 규정의 교류 전압을 인가시 스파크 방전하지 않고 전원이 파괴되지 않는 전압

14) 절연저항(Isolation Resistance)

지정된 단자간에 규정의 직류 전압을 인가시의 저항치


15) 사용온습도(Operating Temp. & Humid.)

동작 중에 전원의 규격을 보증할 수 있는 주위 온도와 습도


16) 저장온습도(Storage Temp.& Humid.)

동작하지 않은 상태로 성능의 열화없이 보관할 수 있는 주위 온도와 습도


17) 내진동(Vibration)

규정의 시험 조건으로 전원의 손상을 주지 않는 진동의 가속도


18) 내충격(Impact)

규정의 시험 조건으로 전원의 손상을 주지 않는 충격의 가속도로 가속도와 가해지는 시간으로 표시


19) 과전류보호(O.C.P : Over Current Protection)

출력 전류가 규격 이상으로 흐르지 않도록하여 전원 또는 부하를 보호하는 기능으로 과전류 상태를

해소하면 출력 전압은 원상태로 자동복귀


​20) 과전압보호(O.V.P : Over Voltage Protection)

부하에 과전압이 인가되지 않도록 규격 이상의 전압이 출력되지 않게 하는 보호기능으로 보호회로가 동작하면

전원은 차단되며, 입력을 차단하고 수분 동안 방치 후 입력을 재투입하면 출력 전압은 원상태로 복귀


21) 리모트센싱(Remote Sensing)

전원과 부하 간에 거리가 있어 배선의 전압 강하가 무시될 수 없는 경우에 사용하는 것으로 센싱선은

접속한 점의 전압을 설정치로 유지


22) 리모트 컨트롤(Remote Control)

복수의 전원을 상용할 때에 각 각의 전원 상승시간과 하강 시간의 차를 설정할 때 사용하는 것으로

외부 신호로 전원을 ON/OFF 하는 기능


*출처 : (주)WORLDTECH

http://www.iworldtech.com/6_info/0101.php 


검색