SQ5 Series
페이지 정보
본문
|
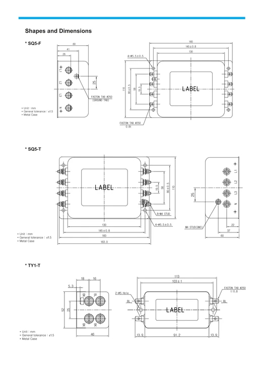
Features - 3-phase, 4-line type - Good shield effect by using metal case - Epoxy molded for reliability - Compact and economical Description Applications - Digital equipments - Suitable for FA equipments - Computerized washing machines - Industrial equipments like UPS, inverters, converters |
| SQW Series PDF File Download | ![]() |
| Series | Rated Voltage | Rated Current | Approvals | Cover | Mounting Method | Output Method |
| SQ5 Series | ~440V AC 50/60Hz (4 Line) | 16A | UL | Metal | Screw | Faston Tab #250, M4 stud |
![]() |
![]() |
※ 모든 첨부자료와 정보들은 (주)동일기연에서 출처된 내용입니다.
- 이전글TY1 Series 23.05.09
- 다음글SQ3 Series 23.05.09





